安徽威帆傳動機械有限公司-產品資料

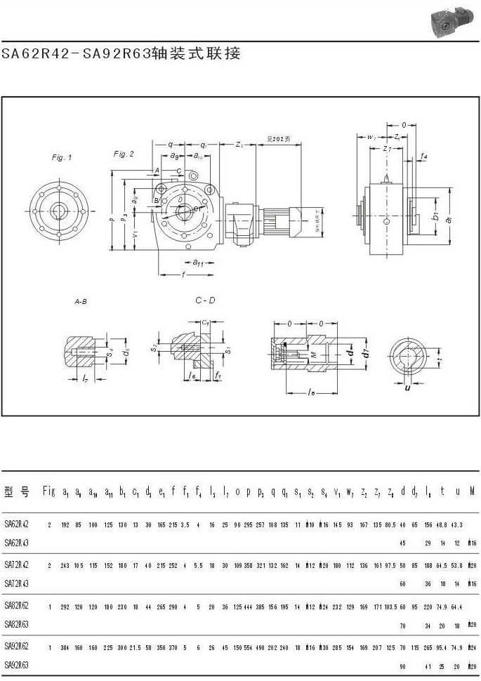
SA62R42-SA96R63軸裝形式聯結參數圖表


上一頁 下一頁

上一頁 下一頁